▲产品特点
活塞式可调式减压稳压阀是安装于高层建筑给排水系统管道上,将进口压力减压某一需要的出口压力的特种阀门。该阀门依靠本身能量使出口压力保持稳定在设定值,即出口压力不因进口压力及流量的变化而变化,并且阀门控制系统的进口处装有一个自清洁滤网,利用体特性,使比重较大、直径较大的悬浮颗粒不会进入控制系统,确保系统循环畅通无阻,使阀门能安全可靠地运行。系统动作平稳、强度高、使用寿命长。活塞式使用于大于450口径的阀门。
▲产品性能
| 公称压力 | 公称通径 | 适用介质 | 适用温度 |
| 1.0 -2 .5Mpa | DN100 -2000mm | 水 、油 | 0-100℃ |

▲外形及连接尺寸
| DN | L | H |
| 50 | 203 | 293 |
| 65 | 216 | 328 |
| 80 | 241 | 364 |
| 100 | 292 | 418 |
| 125 | 330 | 481 |
| 150 | 356 | 543 |
| 200 | 457 | 673 |
| 250 | 533 | 729 |
| 300 | 610 | 927 |
| 350 | 686 | 957 |
| 400 | 762 | 1188 |
| 450 | 864 | 1218 |
| 500 | 914 | 1600 |
| 600 | 1067 | 1800 |
| 700 | 1300 | 2000 |
| 800 | 1450 | 2300 |
| 900 | 1650 | 2600 |
| 1000 | 1800 | 2700 |
| 1200 | 2000 | 2860 |
| 1400 | 2350 | 3200 |
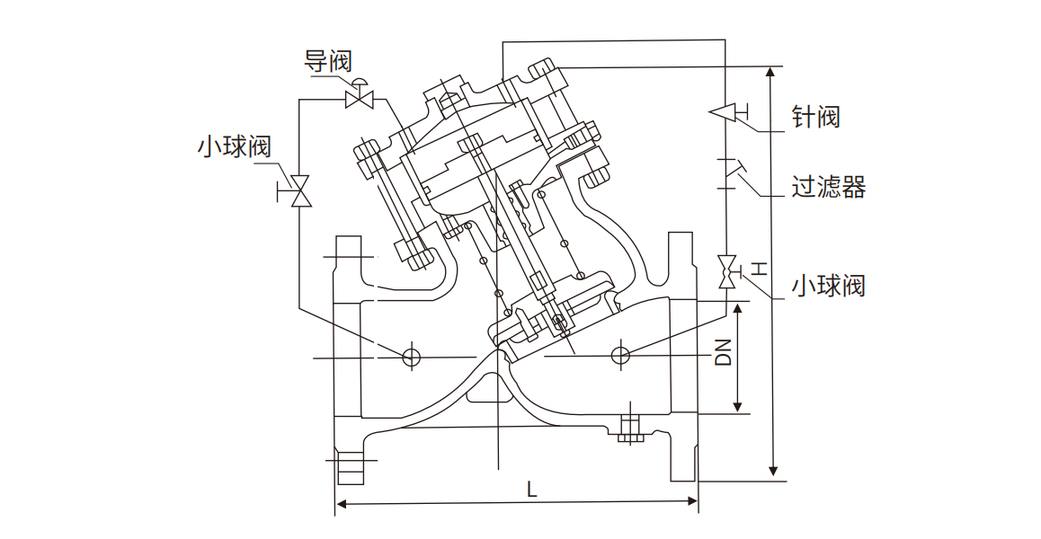
▲安装示意图





浙公网安备 33032402001787号