▲产品特点
RRHX(Z41X)明杆弹性座软密封闸阀由阀体、阀盖、阀杆、阀杆螺母、闸板等零件 组成。此阀利用弹性闸板产生微量弹性变形的补偿作用达到良好的密封效果,该阀具有开 关轻巧、密封可靠、弹性记忆佳及使用寿命长等显著优点,采用全通径,暗杆操作,法兰 螺栓连接,平底式阀座,无杂物沉淀。可广泛用于自来水、污水、建筑、石油、化工、食 品、医药、轻纺、电力、船舶、冶金、能源系统等管线上作为调节和截流装置使用。
▲产品性能
| 公称压力 | 公称通径 | 适用介质 | 使用温度 |
| 1.0~2.5MPa | 50~400mm | 水、油、气等 | 0-80℃ |

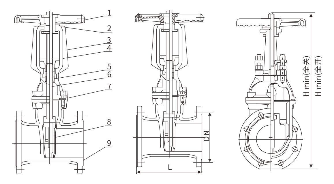
▲外形及连接尺寸
| DN | L | H全关 | H全开 |
| 50 | 178 | 322 | 374 |
| 65 | 190 | 332 | 398 |
| 80 | 203 | 350 | 429 |
| 100 | 229 | 420 | 524 |
| 125 | 254 | 581 | 721 |
| 150 | 267 | 581 | 736 |
| 200 | 292 | 736 | 942 |
| 250 | 330 | 882 | 1013 |
| 300 | 356 | 1009 | 1117 |
| 350 | 381 | 1300 | 1655 |
| 400 | 406 | 1380 | 1805 |




浙公网安备 33032402001787号